Grundig TS1000 - 2 Probleme

Moderator: timundstruppi

Benutzeravatar
mampfi
Administrator
Beiträge: 1785
Registriert: Mo 12. Okt 2015, 22:07
Wohnort: Eislingen

Re: Grundig TS1000 - 2 Probleme

Beitrag von mampfi »

dynamike hat geschrieben: Mo 28. Jun 2021, 17:49 Hey, Manfred,
ich hatte die Platine E gegen Deine ausgetauscht. Kann der T4 da auch durch sein?
Keine Veränderung nach Platinentausch leider...

Danke und
LG
Mike
Natürlich könnte der "durch" sein. Wenn aber ein Fehler nach einem Platinentausch exakt, so wie vorher, weiterbesteht ist das aber sehr unwahrscheinlich. Ideal wäre jetzt ein Signalverfolger. Dann per Adapterplatine die E nach aussen legen und suchen wo das Signal ist.
Dann muß ich mir in einer "freien" Minute nochmal den Unterschied zwischen Wiedergabe und Hinterbandkontrolle anschauen.
Denn offenbar liegt hier ja das Problem. LEider ist es gerade sehr heiß............... :cry:
Am Kopfhörerausgang besteht das Problem schon auch?
Jede Menge Grundig Zeugs, garniert mit etwas Revox, Braun, Dual und Sony, an 5 Anlagen.

Grundig forever :D
Benutzeravatar
timundstruppi
Beiträge: 2521
Registriert: Do 29. Sep 2016, 17:25
Wohnort: schloss mühlenhof

Re: Grundig TS1000 - 2 Probleme

Beitrag von timundstruppi »

Mit ist es auch zu heiß zum Basteln, also Garten, da ist es aber auch zu heiß. 25 Fichten (Borkenkäfer) bis 30 m gefällt und nun 3 Stümpfe per Hand raus. Was für eine Erholung meiner Frau mit ebike abends mit StandardMTB davonzufahren? :lol:

Sonst kann ich dabei nicht helfen, kein TS zuhause...
Benutzeravatar
mampfi
Administrator
Beiträge: 1785
Registriert: Mo 12. Okt 2015, 22:07
Wohnort: Eislingen

Re: Grundig TS1000 - 2 Probleme

Beitrag von mampfi »

Das Problem ist, daß es zwischen Hinterband und Wiedergabe keinen Unterschied gibt.
Es ist immer eine Wiedergabe.

Deshalb kann der Fehler eigentlich nur beim Umschalten zwischen Vor und Hinterband entstehen.
Kontaktprobleme auf der Grundplatine?

Hier nochmal das Blockschaltbild und die Schaltungsbeschreibung
0009.jpg
0010.jpg
0011.jpg
Jede Menge Grundig Zeugs, garniert mit etwas Revox, Braun, Dual und Sony, an 5 Anlagen.

Grundig forever :D
dynamike
Beiträge: 240
Registriert: Mo 15. Apr 2019, 15:54
Wohnort: Düsseldorf

Re: Grundig TS1000 - 2 Probleme

Beitrag von dynamike »

Oh, Manfred, ich hab gesehen, daß bei Euch irres Wetter war... Hoffe, für Dich und die Deinen ist es glimpflich gelaufen.

Danke für die Schaltungsbeschreibung, mal sehen, ob ich damit was anfangen kann. Mir fehlt ja jegliche Erfahrung mit der TS. Bei Revox wüßte ich zumindest, wo ich zu suchen habe :mrgreen:

Ich tausche den T4 mal aus, hab ja jetzt Ersatz dank Dir.

Timundstruppi: Tolle Leistung! Aber blöd, daß die Bäume wegen eines Schädlings weg müssen :roll:

Aber, um ehrlich zu sein, für mich ist das Hinterband-Abhörproblem eher zweitrangig.
Viel schlimmer ist, daß die Andruckrolle beim Einschalten einfach hochfährt (in Pause-Position), und da bleibt.
Das verlangsamt das Spulen doch enorm...

Irgendeine Idee dazu?

Danke und LG
Mike
XV/V/A/T 5000, MXV 100, CF5500, T1000, R1000, TS1000, Monolith 50, Audiorama 8000, M400, XM 400, XM 600
dynamike
Beiträge: 240
Registriert: Mo 15. Apr 2019, 15:54
Wohnort: Düsseldorf

Re: Grundig TS1000 - 2 Probleme

Beitrag von dynamike »

So, ich habe den T4 mal getauscht, am Fehler ändert sich nichts.
Die beim Anschalten anziehende Rolle hat die Ursache in einer Spannung von 29V, die beim Einschalten am Pausemagnet anliegt, und über den Pausehebel wird die Andruckrolle in Pausestellung gebracht und verbleibt dort :roll:

Ich würde gern mal die Diode am Pausemagnet tauschen, gibt s da einen Trick, ohne komplette Demontage der Antriebseinheit dranzukommen?

Wo genau werden die 29V fälschlicherweise schon beim Einschalten erzeugt?

Fragen über Fragen.
Danke und LG
Mike
Benutzeravatar
mampfi
Administrator
Beiträge: 1785
Registriert: Mo 12. Okt 2015, 22:07
Wohnort: Eislingen

Re: Grundig TS1000 - 2 Probleme

Beitrag von mampfi »

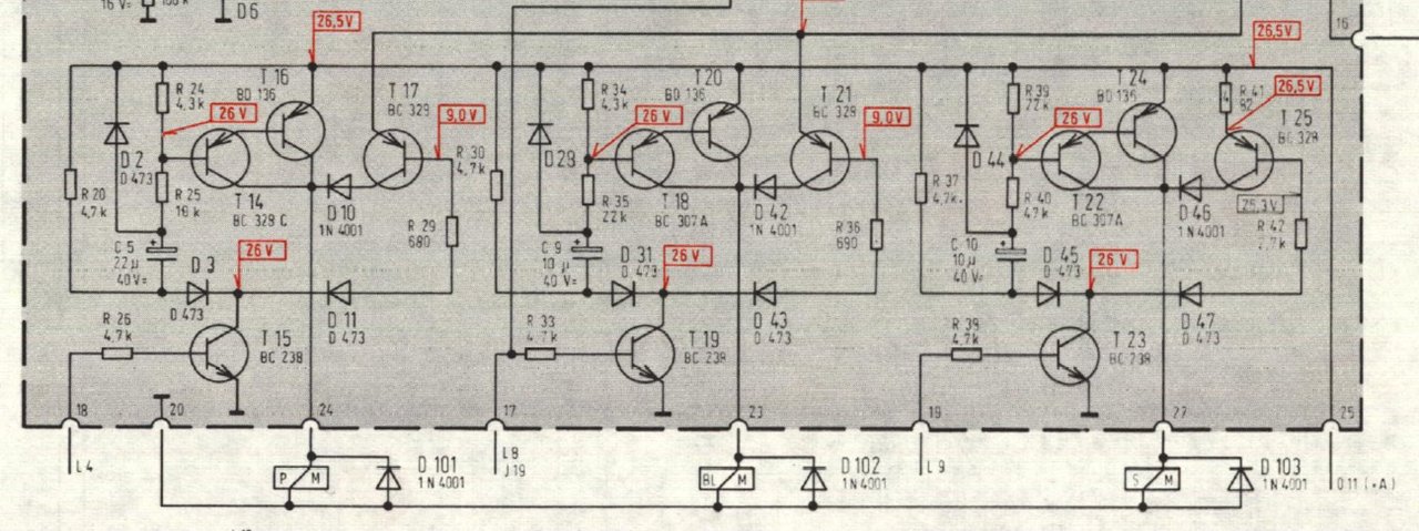
Fälschlicherweise erzeugt werden die 29V nicht. Die kommen aus dem Netzteil. Es handelt sich um die +A Spg. mit nom. 26,5V

Angesteuert werden die Spulen über die Platine K. Zuerst mit der Spg +A zum anziehen, danach mit 9,5V von der Platine M zum halten.
Die Ansteuerung für die Platine K wiederum kommt über die Platine L.

Jetzt könnte z.B. auf der Platine K der dazugehörige Transistor durchlegiert sein, oder es kommt von der Platine L ein dauerthafter High Befehl,
was den betreffenden transistor ständig ansteuert.
In beiden Fällen würde ständig die +A Spg an der Spule liegen.

Hierzu könntest Du die Platine L ziehen und einschalten. Ist der Spuk dann vorbei ist es Platine L, wenn nicht Platine K
Die Bezeichnung BLM verunsichert mich etwas. Ansonsten hätte ich P/M für Pausenmagnet gehalten. Damit hieße der betreffende Transistor T16
magnet.jpg
Jede Menge Grundig Zeugs, garniert mit etwas Revox, Braun, Dual und Sony, an 5 Anlagen.

Grundig forever :D
dynamike
Beiträge: 240
Registriert: Mo 15. Apr 2019, 15:54
Wohnort: Düsseldorf

Re: Grundig TS1000 - 2 Probleme

Beitrag von dynamike »

Dankeschön, Manfred, werde ich morgen gleich mal checken :mrgreen:

LG
Mike
XV/V/A/T 5000, MXV 100, CF5500, T1000, R1000, TS1000, Monolith 50, Audiorama 8000, M400, XM 400, XM 600
dynamike
Beiträge: 240
Registriert: Mo 15. Apr 2019, 15:54
Wohnort: Düsseldorf

Re: Grundig TS1000 - 2 Probleme

Beitrag von dynamike »

So, ich habe nun den T16 und die Diode D10 sowie die Dioden an den Magneten getauscht.
Der Fehler bleibt.
Ziehe ich die Platine L werden die Magnete nicht bewegt.
Tausche ich die Platine K gegen die Ersatzplatine aus, ändert sich das Fehlerbild nicht.

Vermutlich ist dann der Fehler auf der L Platine zu suchen. Die Elkos sind erneuert. Die Dioden sind i.O. Die Keramikscheiben gehen auch eher nicht kaputt, bleibt also wohl nur ein IC?!

Da komme ich nicht weiter. Leider sind die 15 IC Bausteine verlötet, später wurden die ja gesteckt ?!

Ich benötige also wohl eine L- Platine zum Testen bzw. Tauschen. Mit testen wäre mir schon geholfen.

Danke und LG
Mike
XV/V/A/T 5000, MXV 100, CF5500, T1000, R1000, TS1000, Monolith 50, Audiorama 8000, M400, XM 400, XM 600
Benutzeravatar
mampfi
Administrator
Beiträge: 1785
Registriert: Mo 12. Okt 2015, 22:07
Wohnort: Eislingen

Re: Grundig TS1000 - 2 Probleme

Beitrag von mampfi »

Die IC's auf der L Platine wurden ab Werk nie in Sockel gesteckt. Wenn sowas vorgefunden wird, ist das Bastelwerk.
Platine L? Könnte ja mal im Fundus nachschauen.......... :lol:
Jede Menge Grundig Zeugs, garniert mit etwas Revox, Braun, Dual und Sony, an 5 Anlagen.

Grundig forever :D
Benutzeravatar
timundstruppi
Beiträge: 2521
Registriert: Do 29. Sep 2016, 17:25
Wohnort: schloss mühlenhof

Re: Grundig TS1000 - 2 Probleme

Beitrag von timundstruppi »

15 ICs?

Was für ein TTL Grab oder schon MOS.
Antworten

Zurück zu „TS 1000“