Hallo zusammen,
BDV64/65C sollten geeignet sein! Man sollte wenn möglich darauf achten, dass man Markenware nimmt.
Zum Kleber:
Hier sieht man ihn ca. in der Mitte der Platine recht gut. Er soll eigentlich nur die Ferritperle, die auf einem Bein der Z-Diode sitzt fixieren.

- Endstufenplatine V7500
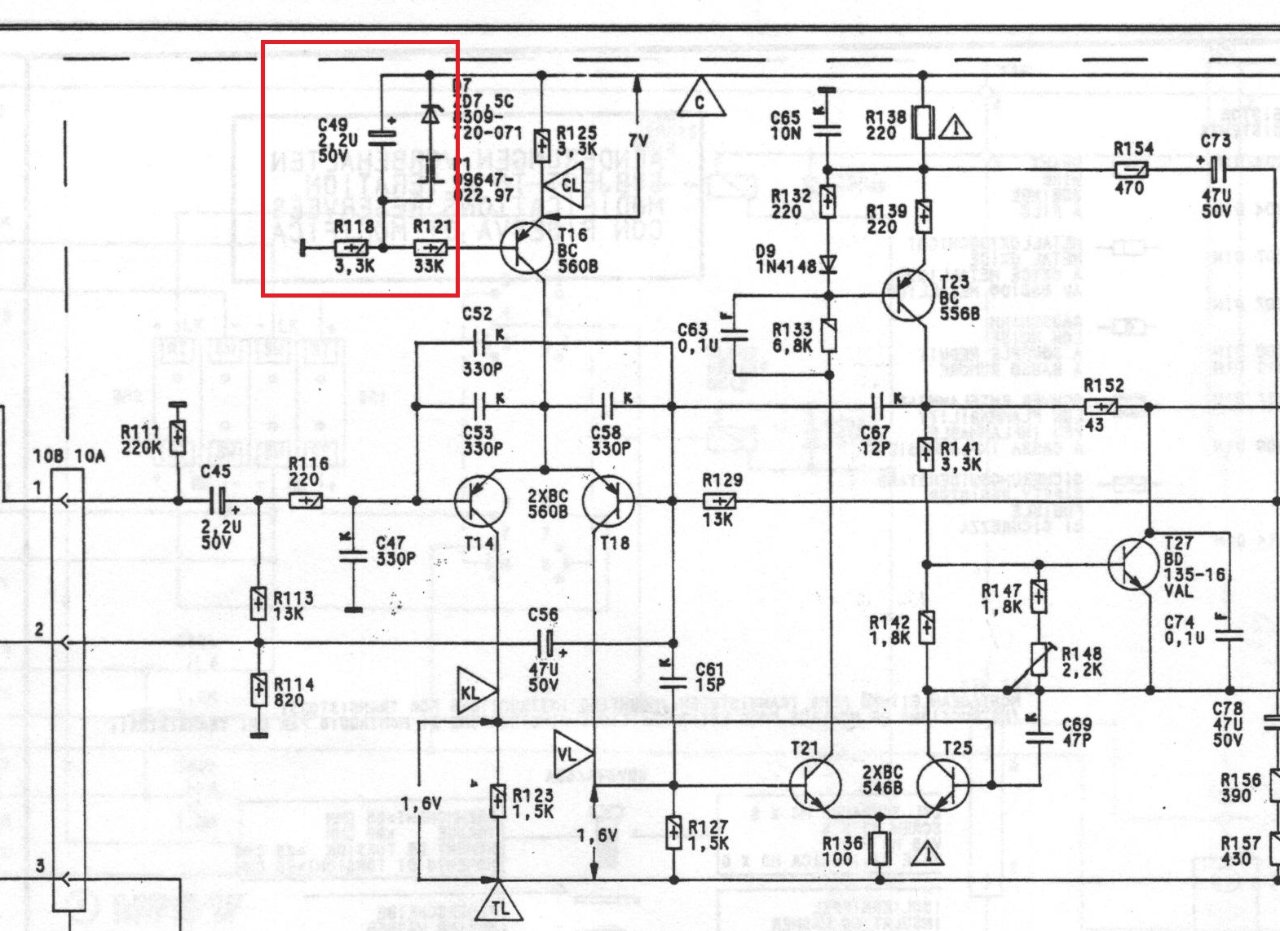
Hier im Schaltplan markiert, welche Bauteile (bei beiden Kanälen) betroffen sind.

- Schaltplanausschnitt V7500
Mit Abstand der häufigste Fehler ist, dass der 3.3k Widerstand hochohmig wird. Das führt dann dazu, dass die Stromquelle T16 keinen Strom mehr durch die Differenzstufe schickt. Mit dem Leckstrom von T16 oder weil der 3.3k nicht ganz hochohmig ist, funktioniert die Differenzstufe trotzdem noch!
Aber: sie gerät aus dem Gleichgewicht, solche Geräte haben meist ca. 0.5V Offset am Endstufenausgang. Gerade so grenzwertig, dass das LS-Schutzrelais manchmal anzieht, manchmal nicht. Vermutlich ist auch der Klirr erhöht, aber auf der ersten "Blick" hört man es nicht.
Ich hab schon bestimmt 10 solcher Geräte repariert. Da war außer dem 3.3k nie was anderes kaputt.
Gruß
Bernhard