R 1000 neues Poti
Moderator: timundstruppi
- Hifi-Legende
- Beiträge: 231
- Registriert: Sa 17. Feb 2018, 16:38
R 1000 neues Poti
Hallo zusammen,
ich habe einen V 2000 in Einzelteilen für kleines Geld gekauft, Gehäuse fehlt. Daher ist dieser für Bastelzwecke eingekauft worden.
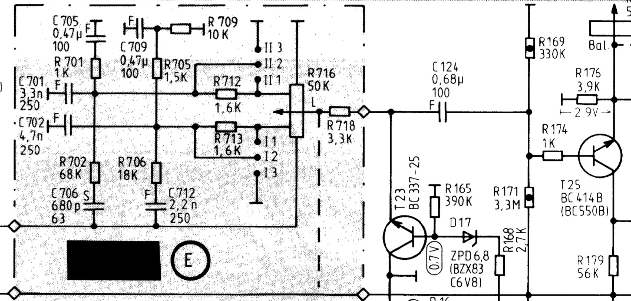
Da ich noch einen R 1000 habe dessen Lautstärke-Poti für einen V 5000 ausgebaut wurde, steht dieser nun rum, das soll sich nun ändern. Ich möchte das Lautstärke-Poti aus dem V 2000 dort einbauen, nur habe ich jetzt erst gesehen, das dieses Poti im V2000 100kOhm haben soll. Im R 1000 gehört eines mit 50kOhm rein.
Ich stelle mir nun die Frage ob das machbar wäre in dem man den Widerstand hinter dem Lautstärke-Poti von 3,3kOhm auf 1,5kOhm runter schraubt?
ich habe einen V 2000 in Einzelteilen für kleines Geld gekauft, Gehäuse fehlt. Daher ist dieser für Bastelzwecke eingekauft worden.
Da ich noch einen R 1000 habe dessen Lautstärke-Poti für einen V 5000 ausgebaut wurde, steht dieser nun rum, das soll sich nun ändern. Ich möchte das Lautstärke-Poti aus dem V 2000 dort einbauen, nur habe ich jetzt erst gesehen, das dieses Poti im V2000 100kOhm haben soll. Im R 1000 gehört eines mit 50kOhm rein.
Ich stelle mir nun die Frage ob das machbar wäre in dem man den Widerstand hinter dem Lautstärke-Poti von 3,3kOhm auf 1,5kOhm runter schraubt?
Aktuelles Setup:
XV/A 5000 T 5000 SCF 6200 CD 8150 PS 4500
Pilot CD 801
------------------------------------------------------------------------------------------------------------------------------------------------------
V/XV/A 5000 Leider Geil

XV/A 5000 T 5000 SCF 6200 CD 8150 PS 4500
Pilot CD 801
------------------------------------------------------------------------------------------------------------------------------------------------------
V/XV/A 5000 Leider Geil
Re: R 1000 neues Poti
Ich würde das rotzfrech einfach versuchen. Oder sollte ich schreiben pro -Bier- en

Jede Menge Grundig Zeugs, garniert mit etwas Revox, Braun, Dual und Sony, an 5 Anlagen.
Grundig forever
Grundig forever
- Hifi-Legende
- Beiträge: 231
- Registriert: Sa 17. Feb 2018, 16:38
Re: R 1000 neues Poti
Sehe ich genau so
, muss nur noch auf die Sachen warten, Versand dauert scheinbar länger... Werde berichten, ob das funktioniert hat. 
Aktuelles Setup:
XV/A 5000 T 5000 SCF 6200 CD 8150 PS 4500
Pilot CD 801
------------------------------------------------------------------------------------------------------------------------------------------------------
V/XV/A 5000 Leider Geil

XV/A 5000 T 5000 SCF 6200 CD 8150 PS 4500
Pilot CD 801
------------------------------------------------------------------------------------------------------------------------------------------------------
V/XV/A 5000 Leider Geil
- timundstruppi
- Beiträge: 2603
- Registriert: Do 29. Sep 2016, 17:25
- Wohnort: schloss mühlenhof
Re: R 1000 neues Poti
Vom Gefühl wird Loudness verstimmt sein. Sonst wird der Teiler aber funktionieren.
Re: R 1000 neues Poti
R......t dauert sehr lange. Das große C versendet unter gleichen allgemeinen Bedingungen wesentlich schneller.Hifi-Legende hat geschrieben: Do 4. Mär 2021, 22:50 Sehe ich genau so, muss nur noch auf die Sachen warten, Versand dauert scheinbar länger... Werde berichten, ob das funktioniert hat.
![]()
Jede Menge Grundig Zeugs, garniert mit etwas Revox, Braun, Dual und Sony, an 5 Anlagen.
Grundig forever
Grundig forever
- timundstruppi
- Beiträge: 2603
- Registriert: Do 29. Sep 2016, 17:25
- Wohnort: schloss mühlenhof
Re: R 1000 neues Poti
Ist eine Sauerei bei Reichelt, dass das fast 2 Wochen dauert und sich auf Corona zu berufen. Wenn man nur 70% der Arbeitskraft im Lager hat, muss die LZ nach 3 Monaten ja 1 Monat sein und nicht konstant fast 2 Wochen bleiben. Die Rückstände müssen die mal aufholen. Das bekommen 1000 andere auch gebacken. Der blaue Claus ist eine Apotheke. Auch wenn ich in HH direkt hin könnte, fahre ich dort nie hin, seit über 30 Jahren.
- Hifi-Legende
- Beiträge: 231
- Registriert: Sa 17. Feb 2018, 16:38
Re: R 1000 neues Poti
Von R.......t ist alles da, habe da keine Probleme, Lieferzeit beträgt immer 1 Woche. Ich warte auf die V 2000 Einzelteile.mampfi hat geschrieben: Fr 5. Mär 2021, 07:42R......t dauert sehr lange. Das große C versendet unter gleichen allgemeinen Bedingungen wesentlich schneller.Hifi-Legende hat geschrieben: Do 4. Mär 2021, 22:50 Sehe ich genau so, muss nur noch auf die Sachen warten, Versand dauert scheinbar länger... Werde berichten, ob das funktioniert hat.
![]()
Der V 1000 steht auch noch auf dem Tisch und wartet auf die Relaisplatine aus oben genanntem V 2000
Aktuelles Setup:
XV/A 5000 T 5000 SCF 6200 CD 8150 PS 4500
Pilot CD 801
------------------------------------------------------------------------------------------------------------------------------------------------------
V/XV/A 5000 Leider Geil

XV/A 5000 T 5000 SCF 6200 CD 8150 PS 4500
Pilot CD 801
------------------------------------------------------------------------------------------------------------------------------------------------------
V/XV/A 5000 Leider Geil
- timundstruppi
- Beiträge: 2603
- Registriert: Do 29. Sep 2016, 17:25
- Wohnort: schloss mühlenhof
Re: R 1000 neues Poti
Die Bedienen wohl erst die Kunden, die einen TV o.ä. bestellt haben und nicht uns mit 1000 Einzelteilen.
- Hifi-Legende
- Beiträge: 231
- Registriert: Sa 17. Feb 2018, 16:38
Re: R 1000 neues Poti
Das Poti ist drin, Widerstände am Potiausgang auf 1,8kOhm verkleinert ( 1,5kOhm hatte ich nicht zur Hand )
, habe auch schon ein Testsignal rein geschickt und mir das ganze mit dem Oszilloscope angeschaut. Signal kommt an, bei umschalten auf Linear wird das Ausgangssignal kleiner.
Nun muss ich noch ein Zahnrad zeichnen und drucken, das Zahnrad im Drehelko vom Tunerteil ist kaputt. Wenn alles gut klappt teste ich heute noch an Lautsprechern
Nun muss ich noch ein Zahnrad zeichnen und drucken, das Zahnrad im Drehelko vom Tunerteil ist kaputt. Wenn alles gut klappt teste ich heute noch an Lautsprechern
Aktuelles Setup:
XV/A 5000 T 5000 SCF 6200 CD 8150 PS 4500
Pilot CD 801
------------------------------------------------------------------------------------------------------------------------------------------------------
V/XV/A 5000 Leider Geil

XV/A 5000 T 5000 SCF 6200 CD 8150 PS 4500
Pilot CD 801
------------------------------------------------------------------------------------------------------------------------------------------------------
V/XV/A 5000 Leider Geil
- timundstruppi
- Beiträge: 2603
- Registriert: Do 29. Sep 2016, 17:25
- Wohnort: schloss mühlenhof
Re: R 1000 neues Poti
Vorher nach Frequenzgang geht wohl nicht mehr. Aber ggf. eine Simulation. Also ich meine Loudness hat eine andere Charakteristik bekommen.