ich habe hier angefange einen T-5000 wieder ins Leben zurück zuholen was auch gut geklappt hat .
Er ließ sich nicht einstellen kein rauschen ecter .....Tunig nix .... Es waren der C113 war Richtig tot darauf hin habe ich mal alle kondensator getauscht Auch die tantal in alle Kästchen.
So wie die Drei Orginal selis die jetzt auch nicht mehr drin sind .
Seit dem Läuft das Gerät eigentlich sehr gut und man kann auch damit Radio hören beide Kanäle geben Audio aus .
Aber der Rechte Kanal ist sehr leise was mir aufgefallen ist das im ZF-PLL-dec.MOD. an pin 28/30 nicht die 2,6Volt sonder so um die 5-6Volt . Ich denke das es zuviel ist finde aber den fehler nicht ?!??!??!
Also der Linke kanal ist okay aber der Recht ist sehr leise!
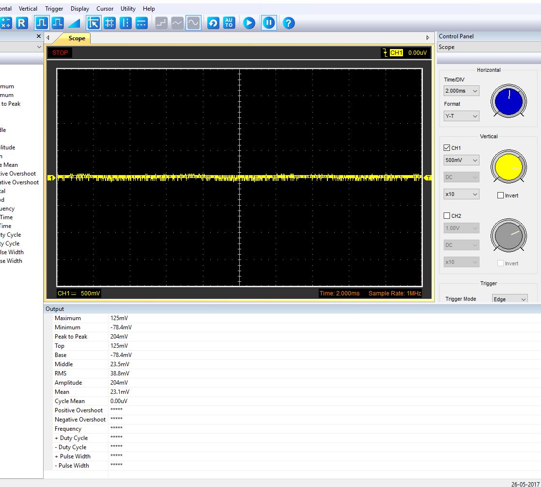
Links Bild und der rechte leise kanal. Ich habe die weit vorne gemessen



Er ploppppt auch wenn ich ihn aus schalte aber nur Rechts, Links kein plopppen..
Lg
Jens
Achso dann kommt denke ich mal ein R-1000 wenn dann der T-5000 auf dem rechten und linken kanal wieder gleich laut ist .