Aktiv 30 40 50 Einschaltschwelle
Moderator: timundstruppi
Aktiv 30 40 50 Einschaltschwelle
Hallo zusammen,
da ich inzwischen an einen fernbedienbaren Vorverstärker gekommen bin, sind meine beiden Aktiv 30 jede sozusagen daily driver für Musik und Fernsehton geworden. Die beiden liefern einfach wirklich einen fantastischen Sound.
Im Prinzip also alles perfekt nur hat eine der beiden Boxen die Eigenheit, dass bei längeren leisen Passagen eines Films die Abschaltautomatik anspricht. Die andere hat das komischerweise noch nie gemacht. Am Pre sollte es nicht liegen…die Boxen sind im Betrieb gleich laut und es gibt keinen Balance-Regler.
An der zeitbestimmenden Komponente scheint es auch nicht zu liegen. Wenn ich den Vorverstärker ausschalte, schalten sich die Aktiv 30 nach ca 3 Minuten nahezu synchron ab.
Die Elkos und Tantalkondensatoren in der Aktivweiche wurden 2020 alle erneuert.
Wo würdet ihr da ansetzen?
LG
da ich inzwischen an einen fernbedienbaren Vorverstärker gekommen bin, sind meine beiden Aktiv 30 jede sozusagen daily driver für Musik und Fernsehton geworden. Die beiden liefern einfach wirklich einen fantastischen Sound.
Im Prinzip also alles perfekt nur hat eine der beiden Boxen die Eigenheit, dass bei längeren leisen Passagen eines Films die Abschaltautomatik anspricht. Die andere hat das komischerweise noch nie gemacht. Am Pre sollte es nicht liegen…die Boxen sind im Betrieb gleich laut und es gibt keinen Balance-Regler.
An der zeitbestimmenden Komponente scheint es auch nicht zu liegen. Wenn ich den Vorverstärker ausschalte, schalten sich die Aktiv 30 nach ca 3 Minuten nahezu synchron ab.
Die Elkos und Tantalkondensatoren in der Aktivweiche wurden 2020 alle erneuert.
Wo würdet ihr da ansetzen?
LG
Anlage 1: XV7500 + ST6500 + CF5500-2 an Aktiv 50
Anlage 2: V7500 + T7500 + CF7500 an 2500a
Anlage 3: MXV100 + MT100 + MCF600 an Aktiv 40
Anlage 4: RPC 600 TP
Anlage 5: Studio 2240 Quadro
Anlage 2: V7500 + T7500 + CF7500 an 2500a
Anlage 3: MXV100 + MT100 + MCF600 an Aktiv 40
Anlage 4: RPC 600 TP
Anlage 5: Studio 2240 Quadro
- timundstruppi
- Beiträge: 2519
- Registriert: Do 29. Sep 2016, 17:25
- Wohnort: schloss mühlenhof
Re: Aktiv 30 40 50 Einschaltschwelle
Tja, auch Transistoren altern.
Eingänge L/R mal getauscht? Vor-Verstärker ggf. etwas weniger Bass auf der einen Seite.
Dann durchmessen....
GGf. Schaltung links und rechts vergleichen.
Eingänge L/R mal getauscht? Vor-Verstärker ggf. etwas weniger Bass auf der einen Seite.
Dann durchmessen....
GGf. Schaltung links und rechts vergleichen.
Re: Aktiv 30 40 50 Einschaltschwelle
Hallo,
also als ersten Test hab ich jetzt mal folgendes gemacht:
Mono-Radioprogramm eingestellt, Boxen aus, dan Pre ein und ganz langsam den Lautstärkeregler aufdrehen bis die erste Box einschaltet und es schalteten beide exakt gleichzeitig ein.
Dann habe ich mal, mangels anderem Equipment einfach den REC-In Eingang vom Tapedeck auf den Ausgang des Pre gehängt um die Pegel zu vergleichen und auch hier ist kein Unterschied zu sehen, eher sogar einen Tick mehr Pegel auf der linken Seite wo die problematische Box angeschlossen ist.
Später probiere ich noch die Kanäle zu tauschen…wenn das auch ohne Ergebnis verläuft muss die Box doch nochmal auf die Werkbank…vielleicht habe ich doch noch einen Elko oder Tako übersehen.
Welche Erfahrungen habt ihr sonst so mit der Einschaltautomatik? Gerade bei klassischer Musik wo es doch lange leise Passagen gibt könnten da schon problematisch sein oder?
Schade auch dass die Boxen keinen Schalter haben um die Automatik zu umgehen…
also als ersten Test hab ich jetzt mal folgendes gemacht:
Mono-Radioprogramm eingestellt, Boxen aus, dan Pre ein und ganz langsam den Lautstärkeregler aufdrehen bis die erste Box einschaltet und es schalteten beide exakt gleichzeitig ein.
Dann habe ich mal, mangels anderem Equipment einfach den REC-In Eingang vom Tapedeck auf den Ausgang des Pre gehängt um die Pegel zu vergleichen und auch hier ist kein Unterschied zu sehen, eher sogar einen Tick mehr Pegel auf der linken Seite wo die problematische Box angeschlossen ist.
Später probiere ich noch die Kanäle zu tauschen…wenn das auch ohne Ergebnis verläuft muss die Box doch nochmal auf die Werkbank…vielleicht habe ich doch noch einen Elko oder Tako übersehen.
Welche Erfahrungen habt ihr sonst so mit der Einschaltautomatik? Gerade bei klassischer Musik wo es doch lange leise Passagen gibt könnten da schon problematisch sein oder?
Schade auch dass die Boxen keinen Schalter haben um die Automatik zu umgehen…
Anlage 1: XV7500 + ST6500 + CF5500-2 an Aktiv 50
Anlage 2: V7500 + T7500 + CF7500 an 2500a
Anlage 3: MXV100 + MT100 + MCF600 an Aktiv 40
Anlage 4: RPC 600 TP
Anlage 5: Studio 2240 Quadro
Anlage 2: V7500 + T7500 + CF7500 an 2500a
Anlage 3: MXV100 + MT100 + MCF600 an Aktiv 40
Anlage 4: RPC 600 TP
Anlage 5: Studio 2240 Quadro
Re: Aktiv 30 40 50 Einschaltschwelle
Weitere Tests ergaben eine ganz leichte Neigung der linken Box, stärkeres Signal zum einschalten zu benötigen, aber es sind Nuancen.
Bei einem Test schaltete die rechte Box auch mit ab.
Ich glaube langsam, da gibt es keinen Defekt. Ich höre nur einfach öfters sehr leise…zu leise für die Boxen.
Der Unterschied den ich zwischen den Boxen habe kann auch Bauteiltoleranzen geschuldet sein…
Aber das ist ja auch kein großes Problem. Ich kann auf die Einschaltautomatik gut verzichten…mit z.B. einer fernbedienbaren Steckdose kann ich die Boxen auch ein und ausschalten…
Noch eine Frage dazu:
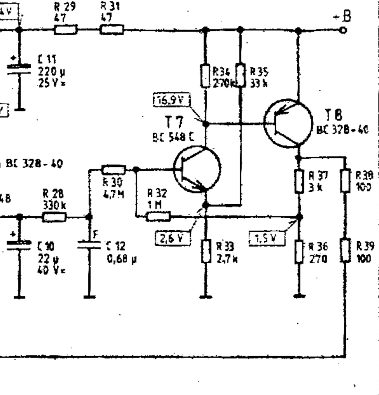
Bringe ich irgendwas bei der Gesamtschaltung aus dem Takt wenn ich das Netz-Relais einfach ausbaue und den Schaltkontakt überbrücke?
Das Relais wird via den zwei 100 Ohm Widerständen vom Transistor T8 angesteuert.
LG und schönen Abend!
Bei einem Test schaltete die rechte Box auch mit ab.
Ich glaube langsam, da gibt es keinen Defekt. Ich höre nur einfach öfters sehr leise…zu leise für die Boxen.
Der Unterschied den ich zwischen den Boxen habe kann auch Bauteiltoleranzen geschuldet sein…
Aber das ist ja auch kein großes Problem. Ich kann auf die Einschaltautomatik gut verzichten…mit z.B. einer fernbedienbaren Steckdose kann ich die Boxen auch ein und ausschalten…
Noch eine Frage dazu:
Bringe ich irgendwas bei der Gesamtschaltung aus dem Takt wenn ich das Netz-Relais einfach ausbaue und den Schaltkontakt überbrücke?
Das Relais wird via den zwei 100 Ohm Widerständen vom Transistor T8 angesteuert.
LG und schönen Abend!
Anlage 1: XV7500 + ST6500 + CF5500-2 an Aktiv 50
Anlage 2: V7500 + T7500 + CF7500 an 2500a
Anlage 3: MXV100 + MT100 + MCF600 an Aktiv 40
Anlage 4: RPC 600 TP
Anlage 5: Studio 2240 Quadro
Anlage 2: V7500 + T7500 + CF7500 an 2500a
Anlage 3: MXV100 + MT100 + MCF600 an Aktiv 40
Anlage 4: RPC 600 TP
Anlage 5: Studio 2240 Quadro
Re: Aktiv 30 40 50 Einschaltschwelle
Angegeben sind:
Einschaltschwelle min. 1,5 mV (das ist die Spitzenamplitude; bei Sinus wären das 1 mVeff)
Haltezeit nach Abfall unter Einschaltschwelle: 3 Minuten.
Ich würde also erstmal alle Elkos und Tantals in der Einschaltautomatik ersetzen. Denn wenn da die Elkos Isolationswiderstand verloren haben, geht auch die Haltezeit runter sowie die Einschaltschwelle rauf.
Wenn das nichts bringt, kann man immer noch das Relais überbrücken. Und nein, das tut dem Rest nicht weh.
Gruß
Reinhard
Einschaltschwelle min. 1,5 mV (das ist die Spitzenamplitude; bei Sinus wären das 1 mVeff)
Haltezeit nach Abfall unter Einschaltschwelle: 3 Minuten.
Ich würde also erstmal alle Elkos und Tantals in der Einschaltautomatik ersetzen. Denn wenn da die Elkos Isolationswiderstand verloren haben, geht auch die Haltezeit runter sowie die Einschaltschwelle rauf.
Wenn das nichts bringt, kann man immer noch das Relais überbrücken. Und nein, das tut dem Rest nicht weh.
Gruß
Reinhard
Re: Aktiv 30 40 50 Einschaltschwelle
Servus,
Danke für die Infos.
Gestern Abend habe ich nochmal Tests durchgeführt und es sieht so aus, als ob es auch eine thermische Komponente gibt.
Dazu muss ich sagen, dass die Boxen immer komplett vom Netz getrennt sind während der Nacht und wenn ich nicht zuhause bin.
Wenn ich heim komme schalte ich alles ein und die Boxen bleiben dann auch am Netz (Ein oder im Standby) bis ich mich zur Nachtruhe begebe.
Gestern habe ich die Tests direkt nach dem heimkommen gemacht…da war alles ok.
Am Abend dann aber brauchte die linke Box doch signifikant mehr Pegel zum einschalten.
Laut Schaltbild ist die Aktivweiche eigentlich immer am Netz, auch wenn die Endstufen aus sind. Stabilisiert werden die 15V der Weiche ja mit einer Zenerdiode, von der ich auch schon mal gelesen habe, dass sie problematisch sein kann und ich erinnere mich nicht daran, dass ich die getauscht habe. Vielleicht sinkt auch einfach die Versorgungsspannung der Weiche mit der Zeit ab…
Also werde ich am Wochenende mal die Box öffnen, die Weiche ausbauen und untersuchen was ich vor 5 Jahren tatsächlich gemacht habe, ggf. die Elkos, Tanatals und die Zener austauschen und mal die 15V beobachten…dann berichte ich euch was dabei rausgekommen ist.
Danke für die Infos.
Gestern Abend habe ich nochmal Tests durchgeführt und es sieht so aus, als ob es auch eine thermische Komponente gibt.
Dazu muss ich sagen, dass die Boxen immer komplett vom Netz getrennt sind während der Nacht und wenn ich nicht zuhause bin.
Wenn ich heim komme schalte ich alles ein und die Boxen bleiben dann auch am Netz (Ein oder im Standby) bis ich mich zur Nachtruhe begebe.
Gestern habe ich die Tests direkt nach dem heimkommen gemacht…da war alles ok.
Am Abend dann aber brauchte die linke Box doch signifikant mehr Pegel zum einschalten.
Laut Schaltbild ist die Aktivweiche eigentlich immer am Netz, auch wenn die Endstufen aus sind. Stabilisiert werden die 15V der Weiche ja mit einer Zenerdiode, von der ich auch schon mal gelesen habe, dass sie problematisch sein kann und ich erinnere mich nicht daran, dass ich die getauscht habe. Vielleicht sinkt auch einfach die Versorgungsspannung der Weiche mit der Zeit ab…
Also werde ich am Wochenende mal die Box öffnen, die Weiche ausbauen und untersuchen was ich vor 5 Jahren tatsächlich gemacht habe, ggf. die Elkos, Tanatals und die Zener austauschen und mal die 15V beobachten…dann berichte ich euch was dabei rausgekommen ist.
Anlage 1: XV7500 + ST6500 + CF5500-2 an Aktiv 50
Anlage 2: V7500 + T7500 + CF7500 an 2500a
Anlage 3: MXV100 + MT100 + MCF600 an Aktiv 40
Anlage 4: RPC 600 TP
Anlage 5: Studio 2240 Quadro
Anlage 2: V7500 + T7500 + CF7500 an 2500a
Anlage 3: MXV100 + MT100 + MCF600 an Aktiv 40
Anlage 4: RPC 600 TP
Anlage 5: Studio 2240 Quadro
Re: Aktiv 30 40 50 Einschaltschwelle
Die mit Zenerdiode stabilisierte Spannung +C (+15 V) beeinflusst aber die Einschaltautomatik nicht. Sondern es ist die nicht-stabilisierte Spannung +B, (+17,6 bis +19 V) die die Einschaltautomatik versorgt.
Es sollten auch die Sicherungshalter ganz genau angesehen werden. Diese hier eingebauten haben sehr oft einen Alterungsschaden. Der wirkt sich darin aus, dass die Zungen, die die Sicherungen einklemmen, an der unteren Biegestelle versprödet sind. Sie haben dann kaum oder keine Federspannung mehr und brechen leicht ab. Durch mangelhaften Kontakt der Sicherungen in den Haltern leidet die Stromversorgung. Die Sicherungshalter sollten dann unbedingt ersetzt werden. Ich musste das bisher bei allen Aktiv 40 Boxen machen, die ich auf dem Tisch hatte, da die Sicherungshalter schon bei scharfem Ansehen bei allen auseinander fielen.
Si III ist für die Aktivweichen- und Einschaltautomatik-Versorgung zuständig.
Elko C10 (22 µF / 40 V) in der Einschaltautomatik ist besonders kritisch, da er in einer sehr hochohmigen Schaltungsumgebung sitzt. Dann wirkt sich schon kleiner Leckstrom stärker aus.
Gruß
Reinhard
Es sollten auch die Sicherungshalter ganz genau angesehen werden. Diese hier eingebauten haben sehr oft einen Alterungsschaden. Der wirkt sich darin aus, dass die Zungen, die die Sicherungen einklemmen, an der unteren Biegestelle versprödet sind. Sie haben dann kaum oder keine Federspannung mehr und brechen leicht ab. Durch mangelhaften Kontakt der Sicherungen in den Haltern leidet die Stromversorgung. Die Sicherungshalter sollten dann unbedingt ersetzt werden. Ich musste das bisher bei allen Aktiv 40 Boxen machen, die ich auf dem Tisch hatte, da die Sicherungshalter schon bei scharfem Ansehen bei allen auseinander fielen.
Si III ist für die Aktivweichen- und Einschaltautomatik-Versorgung zuständig.
Elko C10 (22 µF / 40 V) in der Einschaltautomatik ist besonders kritisch, da er in einer sehr hochohmigen Schaltungsumgebung sitzt. Dann wirkt sich schon kleiner Leckstrom stärker aus.
Gruß
Reinhard
Re: Aktiv 30 40 50 Einschaltschwelle
Hallo zusammen,
also ich habe jetzt die betreffende Box offen gehabt.
Wie vermutet hatte ich die Weiche schon einmal komplett überarbeitet.
Trotzdem habe ich mal C7 und C10 ausgelötet und untersucht. Beide waren ok was die Kapazität angeht, aber die ESR Werte waren nicht berühmt…Ich muss gestehen dass ich damals kein besonderes gutes Elko-Material verwendet habe. Die Dinger dürften aus so einem 200 Stück Sortiment sein, das ich online für kleines Geld erstanden habe.
Also habe ich diese gegen neuere ersetzt, die von reichelt sind und nur etwa die Hälfte an ESR aufweisen.
Nach dem zusammenbauen habe ich mal das Soundsignal am Eingang gemessen und die Box scheint nun die Spezifikation von 1,5mV Peak einzuhalten…im normalen Betrieb hat sie sich jetzt auch nicht mehr ungerechtfertigt abgeschaltet…ich muss das ganze aber noch länger beobachten.
Also wieder was gelernt…bei Elkos lieber nicht sparen.
Noch ein Gedanke zur Elimination der Einschaltautomatik: In den TI ist angegeben, dass das Netzrelais mit einer gewollten Verzögerung von 200ms anspricht, es ist aber nicht genauer ausgeführt warum. Ich denke man versucht damit Knackser oder so zu unterdrücken.
Bei meinen Aktiv 30 wäre das kein Problem, da ich hier die Schutzschaltung bereits nachgerüstet habe und die verzögert ohnehin das zuschalten der Treiber.
Bei den größeren Aktiv 40/50, für die es keine Schutzschaltung gibt, müsste man diesem Umstand vielleicht mit einem zeitverzögerten Relais Rechnung tragen.
LG
also ich habe jetzt die betreffende Box offen gehabt.
Wie vermutet hatte ich die Weiche schon einmal komplett überarbeitet.
Trotzdem habe ich mal C7 und C10 ausgelötet und untersucht. Beide waren ok was die Kapazität angeht, aber die ESR Werte waren nicht berühmt…Ich muss gestehen dass ich damals kein besonderes gutes Elko-Material verwendet habe. Die Dinger dürften aus so einem 200 Stück Sortiment sein, das ich online für kleines Geld erstanden habe.
Also habe ich diese gegen neuere ersetzt, die von reichelt sind und nur etwa die Hälfte an ESR aufweisen.
Nach dem zusammenbauen habe ich mal das Soundsignal am Eingang gemessen und die Box scheint nun die Spezifikation von 1,5mV Peak einzuhalten…im normalen Betrieb hat sie sich jetzt auch nicht mehr ungerechtfertigt abgeschaltet…ich muss das ganze aber noch länger beobachten.
Also wieder was gelernt…bei Elkos lieber nicht sparen.
Noch ein Gedanke zur Elimination der Einschaltautomatik: In den TI ist angegeben, dass das Netzrelais mit einer gewollten Verzögerung von 200ms anspricht, es ist aber nicht genauer ausgeführt warum. Ich denke man versucht damit Knackser oder so zu unterdrücken.
Bei meinen Aktiv 30 wäre das kein Problem, da ich hier die Schutzschaltung bereits nachgerüstet habe und die verzögert ohnehin das zuschalten der Treiber.
Bei den größeren Aktiv 40/50, für die es keine Schutzschaltung gibt, müsste man diesem Umstand vielleicht mit einem zeitverzögerten Relais Rechnung tragen.
LG
Anlage 1: XV7500 + ST6500 + CF5500-2 an Aktiv 50
Anlage 2: V7500 + T7500 + CF7500 an 2500a
Anlage 3: MXV100 + MT100 + MCF600 an Aktiv 40
Anlage 4: RPC 600 TP
Anlage 5: Studio 2240 Quadro
Anlage 2: V7500 + T7500 + CF7500 an 2500a
Anlage 3: MXV100 + MT100 + MCF600 an Aktiv 40
Anlage 4: RPC 600 TP
Anlage 5: Studio 2240 Quadro
Re: Aktiv 30 40 50 Einschaltschwelle
Zu den Elkos, besonders hier in der Einschaltautomatik:
Auf den ESR kommt es nicht an, sie arbeiten ja in sehr hochohmiger Schaltungsumgebung, aber dafür um so mehr auf hohen Isolationswiderstand (kleiner Leckstrom).
Wenn Elkos altern, sieht man das vor allem an erhöhtem ESR, nicht unbedingt gleich an der Kapazität, die kann an manchem Messgeräten auch (scheinbar) sogar bei Alterung erstmal grösser werden. Das liegt daran, dass viele einfachere Messgeräte die Kapazität über die Ladezeit messen und wenn der Isolationswiderstand abnimmt, steigt die Ladezeit und gaukelt eine grössere Kapazität vor.
Wenn die Box sehr lange nicht in Betrieb war, kann die Anodisierungsschicht auf dem Alu-Wickel gelitten haben. Sie baut sich langsam ab, insbesondere, wenn der pH-Wert des Elektrolyten bei Alterung steigt. Dadurch entstehen "Löcher" im Aluminiumoxid und dadurch sinkt der Isolationswiderstand. Deshalb brauchen Elkos nach Einschalten nach langer Zeit des Einlagerns erstmal einige Zeit, bis sie sich wieder formiert haben. das heisst, die Anodisierung muss unter der anliegenden Spannung erst wieder heilen.
Gruß
Reinhard
Auf den ESR kommt es nicht an, sie arbeiten ja in sehr hochohmiger Schaltungsumgebung, aber dafür um so mehr auf hohen Isolationswiderstand (kleiner Leckstrom).
Wenn Elkos altern, sieht man das vor allem an erhöhtem ESR, nicht unbedingt gleich an der Kapazität, die kann an manchem Messgeräten auch (scheinbar) sogar bei Alterung erstmal grösser werden. Das liegt daran, dass viele einfachere Messgeräte die Kapazität über die Ladezeit messen und wenn der Isolationswiderstand abnimmt, steigt die Ladezeit und gaukelt eine grössere Kapazität vor.
Wenn die Box sehr lange nicht in Betrieb war, kann die Anodisierungsschicht auf dem Alu-Wickel gelitten haben. Sie baut sich langsam ab, insbesondere, wenn der pH-Wert des Elektrolyten bei Alterung steigt. Dadurch entstehen "Löcher" im Aluminiumoxid und dadurch sinkt der Isolationswiderstand. Deshalb brauchen Elkos nach Einschalten nach langer Zeit des Einlagerns erstmal einige Zeit, bis sie sich wieder formiert haben. das heisst, die Anodisierung muss unter der anliegenden Spannung erst wieder heilen.
Gruß
Reinhard
Re: Aktiv 30 40 50 Einschaltschwelle
Servus,
hier nun mein Fazit nach mehreren Tagen Beobachtung:
Die betreffende linke Box ist noch immer etwas empfindlicher was niedrigen NF Pegel Pegel angeht als die rechte Box.
Ich hatte mehrere Situationen wo trotz hörbarem Audio beide Boxen oder nur die linke Box abgeschaltet hat.
Besonders häufig passiert dies bei Talk-Sendungen…auf Sprache scheint die Automatik nicht ausreichend anzusprechen vermutlich wegen wenig Tiefton. Beim konzentrierten zuhören ist dieses plötzliche Klacken des Relais echt störend.
Das liegt in meinem Fall vielleicht auch an den Umständen…meine Wohnung ist klein und gut schallisoliert. Schon geringe Schallpegel füllen sie aus.
Aus diesen Gründen, weil es mit kaum Aufwand verbunden und jederzeit reversibel ist werde ich die Automatik durch entfernen des Relais außer Betrieb nehmen.
Ein andere Möglichkeit wäre noch den Elko C10 zu vergrößern z.B. auf 47 uF. Da sich die Box meist nach weniger als 1 Minute wieder zuschaltet…mal schauen was ich mache…
LG
hier nun mein Fazit nach mehreren Tagen Beobachtung:
Die betreffende linke Box ist noch immer etwas empfindlicher was niedrigen NF Pegel Pegel angeht als die rechte Box.
Ich hatte mehrere Situationen wo trotz hörbarem Audio beide Boxen oder nur die linke Box abgeschaltet hat.
Besonders häufig passiert dies bei Talk-Sendungen…auf Sprache scheint die Automatik nicht ausreichend anzusprechen vermutlich wegen wenig Tiefton. Beim konzentrierten zuhören ist dieses plötzliche Klacken des Relais echt störend.
Das liegt in meinem Fall vielleicht auch an den Umständen…meine Wohnung ist klein und gut schallisoliert. Schon geringe Schallpegel füllen sie aus.
Aus diesen Gründen, weil es mit kaum Aufwand verbunden und jederzeit reversibel ist werde ich die Automatik durch entfernen des Relais außer Betrieb nehmen.
Ein andere Möglichkeit wäre noch den Elko C10 zu vergrößern z.B. auf 47 uF. Da sich die Box meist nach weniger als 1 Minute wieder zuschaltet…mal schauen was ich mache…
LG
Anlage 1: XV7500 + ST6500 + CF5500-2 an Aktiv 50
Anlage 2: V7500 + T7500 + CF7500 an 2500a
Anlage 3: MXV100 + MT100 + MCF600 an Aktiv 40
Anlage 4: RPC 600 TP
Anlage 5: Studio 2240 Quadro
Anlage 2: V7500 + T7500 + CF7500 an 2500a
Anlage 3: MXV100 + MT100 + MCF600 an Aktiv 40
Anlage 4: RPC 600 TP
Anlage 5: Studio 2240 Quadro