R1000-2 Teileliste für Tantalaustausch
Moderator: timundstruppi
R1000-2 Teileliste für Tantalaustausch
Hallo,
ich habe einen R1000-2 erstanden und möchte dem eine Tantal-Kur unterziehen.
Das Gerät ist optisch 1a, offensichtlich sehr wenig gelaufen. Keine Macke an der Front oder den Knöpfen, noch nicht mal Kratzer auf der Oberseite Jetzt ist der -2 ja ein "Upgrade" und wenn ich mir den Schaltplan anschaue (lade ich nachher noch hier hoch), gibt es da ein oder zwei Unterschiede. Zum Beispiel hat der -2 vier Tantals vor dem Lautsprecherausgängen. Hat einer von Euch zufälligerweise eine Liste welche ich einfach bestellen kann ohne den Schaltplan / die Platine einzeln absuchen zu müssen?
ich habe einen R1000-2 erstanden und möchte dem eine Tantal-Kur unterziehen.
Das Gerät ist optisch 1a, offensichtlich sehr wenig gelaufen. Keine Macke an der Front oder den Knöpfen, noch nicht mal Kratzer auf der Oberseite Jetzt ist der -2 ja ein "Upgrade" und wenn ich mir den Schaltplan anschaue (lade ich nachher noch hier hoch), gibt es da ein oder zwei Unterschiede. Zum Beispiel hat der -2 vier Tantals vor dem Lautsprecherausgängen. Hat einer von Euch zufälligerweise eine Liste welche ich einfach bestellen kann ohne den Schaltplan / die Platine einzeln absuchen zu müssen?
Re: R1000-2 Teileliste für Tantalaustausch
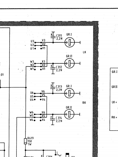
Das sind keine Tantals, das sind Keramikkondensatoren, welche nicht getauscht werden müssen.
Es wurden tatsächlich 3 x Keramik und einmal Folie verbaut.
Es wurden tatsächlich 3 x Keramik und einmal Folie verbaut.
Jede Menge Grundig Zeugs, garniert mit etwas Revox, Braun, Dual und Sony, an 5 Anlagen.
Grundig forever
Grundig forever
- timundstruppi
- Beiträge: 2514
- Registriert: Do 29. Sep 2016, 17:25
- Wohnort: schloss mühlenhof
Re: R1000-2 Teileliste für Tantalaustausch
Bewusst oder unbewusst? Die F und K C's haben natürlich unterschiedliche Frequenzverläufe. Ob das wegen unterschiedlicher Leitungslängen was messbar ausmacht?
Oder das wurde alles falsch übernommen in der Fertigung.
Oder das wurde alles falsch übernommen in der Fertigung.
Re: R1000-2 Teileliste für Tantalaustausch
Hatte ich schon erwähnt, dass Schaltpläne nicht so mein Ding sind?mampfi hat geschrieben: Mo 29. Aug 2022, 13:15 Das sind keine Tantals, das sind Keramikkondensatoren, welche nicht getauscht werden müssen.
Es wurden tatsächlich 3 x Keramik und einmal Folie verbaut.
keramik folie.jpg
Und heisst das, dass es für die Tantals auch ein Zeichen gibt?
Re: R1000-2 Teileliste für Tantalaustausch
Jepp, da steht tatsächlich ein T neben dem Kondensatorsymbol.
Jede Menge Grundig Zeugs, garniert mit etwas Revox, Braun, Dual und Sony, an 5 Anlagen.
Grundig forever
Grundig forever
- timundstruppi
- Beiträge: 2514
- Registriert: Do 29. Sep 2016, 17:25
- Wohnort: schloss mühlenhof
Re: R1000-2 Teileliste für Tantalaustausch
inkl. der Polarität wie beim Elko 
Re: R1000-2 Teileliste für Tantalaustausch
Ihr veräppelt mich, oder?
Die einzigen T die ich auf dem Schaltplan finde sind Transistoren
Die einzigen T die ich auf dem Schaltplan finde sind Transistoren
Re: R1000-2 Teileliste für Tantalaustausch
Nein, das tun wir nicht
Tatsächlich ist es aber so, daß die Tantalbeschriftung nicht sehr häufig aufzufinden ist.
Vermtl. nur dann wenn im Ersatzfalle unbedingt wieder ein Tantal eingesetzt werden soll/muß.
Vermtl. nur dann wenn im Ersatzfalle unbedingt wieder ein Tantal eingesetzt werden soll/muß.
Jede Menge Grundig Zeugs, garniert mit etwas Revox, Braun, Dual und Sony, an 5 Anlagen.
Grundig forever
Grundig forever
- timundstruppi
- Beiträge: 2514
- Registriert: Do 29. Sep 2016, 17:25
- Wohnort: schloss mühlenhof
Re: R1000-2 Teileliste für Tantalaustausch
Woogie hat geschrieben: Di 30. Aug 2022, 17:31 Ihr veräppelt mich, oder?
Die einzigen T die ich auf dem Schaltplan finde sind Transistoren![]()
Re: R1000-2 Teileliste für Tantalaustausch
Ok, das mit den Tantals werde ich nochmal verfolgen. Auf dem Schaltplan für den -2 konnte ich auf jeden Fall keine T-Markierungen finden.
Ich scheitere aber schon an der trivialeren Frage, wie ich den Lautstärkeknopf abbekomme.
Im SM steht da nichts explizit drin, aber einfach abziehen scheint nicht zu gehen (und zuviel Kraft will ich da nicht reinstecken).
Es gibt an dem Knopf auch ein kleines Loch, dessen Funktion sich mir nicht erschließt.
Von innen ist auch nichts direkt zu erkennen
Ich scheitere aber schon an der trivialeren Frage, wie ich den Lautstärkeknopf abbekomme.
Im SM steht da nichts explizit drin, aber einfach abziehen scheint nicht zu gehen (und zuviel Kraft will ich da nicht reinstecken).
Es gibt an dem Knopf auch ein kleines Loch, dessen Funktion sich mir nicht erschließt.
Von innen ist auch nichts direkt zu erkennen